Power Integrations InnoSwitch™4-CZ ICs
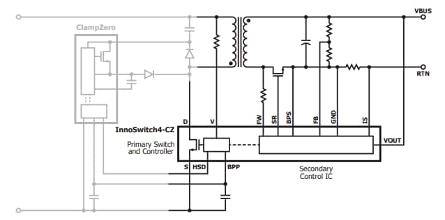
Power Integrations InnoSwitch™4-CZ ICs combine with the ClampZero™ active clamp ICs to dramatically improve the efficiency of flyback power converters, especially those requiring a compact form-factor. The InnoSwitch4-CZ incorporates primary and secondary controllers and safety-rated feedback into a single IC.The Power InnoSwitch4-CZ ICs integrated with the ClampZero ICs greatly reduces system and primary switch losses, allowing for extremely high power densities. The InnoSwitch4-CZ provides multiple protection features, including output overvoltage and over-current limiting, and over-temperature shutdown.
Devices are available that support the common combinations of latching and auto-restart protection mode required by applications such as chargers, adapters, consumer electronics, and industrial systems.
Features
- Highly integrated, compact footprint
- Zero voltage switching (ZVS) flyback controller with driver for ClampZeroTM (active clamp IC)
- Unique control algorithm to enable ZVS in both DCM and CCM
- Robust 750V PowiGaN™ primary switch
- Steady-state switching frequency up to 140kHz minimizes transformer size
- Synchronous rectification driver and secondary-side sensing
- Integrated FluxLink™, HIPOT-isolated, feedback link
- Exceptional CV/CC accuracy, independent of external components
- Adjustable accurate output current sense using external sense resistor
- EcoSmart™ – energy efficient
- Up to 95% efficient
- Less than 30mW no-load consumption including line sense
- Advanced Protection / Safety Features
- Open SR FET-gate detection
- Fast input line UV/OV protection
- Optional features
- Variable output voltage, constant current profiles
- Auto-restart or latching fault response for output OVP/UVP
- Multiple output UV fault thresholds
- Latching or hysteretic primary over-temperature protection
- Full safety and regulatory compliance
- Reinforced isolation >4000 VAC
- 100% production HIPOT testing
- UL1577 and TUV (EN60950) safety approved
- Excellent noise immunity enables designs that achieve class “A” performance criteria for EN61000-4 suite; EN61000-4-2, 4-3 (30V/m), 4-4, 4-5, 4-6, 4-8 (100A/m) and 4-9 (1000A/m)
- Green package
- Halogen free and RoHS compliant
Applications
- High density flyback designs up to 110W
- High efficiency CV/CC power supplies
- High efficiency USB PD adapters
Additional Resources
Videos
Application Schematic
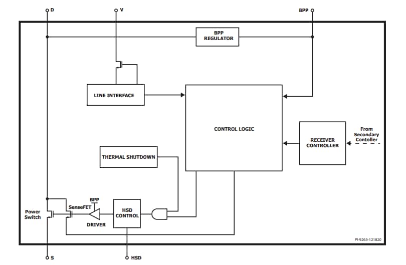
Primary Controller Block Diagram
Secondary Controller Block Diagram
Published: 2021-06-03
| Updated: 2023-05-24
