Advantech SKY-MXM NVIDIA® Quadro® Modules
Advantech SKY-MXM NVIDIA® Quadro® Modules feature T1000, RTX3000, or A2000 graphics cards with MXM 3.1. The modules have up to 2560 CUDA cores, and 8.25 TFLOPS. The SKY-MXM GDDR6 has up to 4GB memory, 128-bit, bandwidth, and 224 GB/s. The devices have up to 4 x DisplayPort 1.4a outputs.Features
- SKY-MXM-T1000
- NVIDIA® Quadro® T1000 with MXM 3.1 TYPE A form factor(82mm x 70mm)
- Up to 896 CUDA cores , 2.6 TFLOPS
- GDDR6 4GB memory, 128-bit, bandwidth 192 GB/s
- Up to 4 x DisplayPort 1.4a outputs
- Long life cycle, supports 5 years availability
- SKY-MXM-RTX3000
- NVIDIA® Quadro® RTX3000 with MXM 3.1 TYPE B form factor(82mm x 105mm)
- Up to 1920 CUDA cores, 30 RT cores and 240 Tensor cores, 5.3 TFLOPS
- GDDR6 6GB memory, 192-bit, bandwidth 336GB/s
- Up to 4 x DisplayPort 1.4a outputs
- Long life cycle, supports 5 years availability
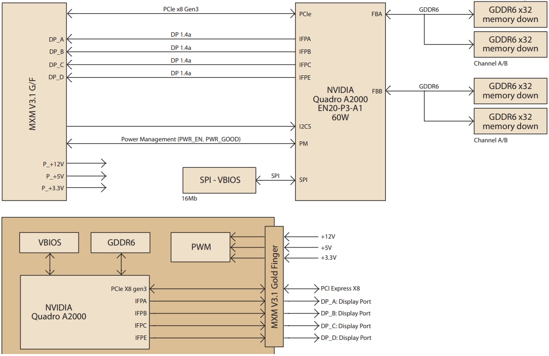
- SKY-MXM-A2000
- NVIDIA® Quadro® A2000 with MXM 3.1 TYPE A form factor (82mm x 70mm)
- Up to 2560 CUDA cores, 20 RT cores and 80 Tensor cores, 8.25 TFLOPS
- GDDR6 4GB memory, 128-bit, bandwidth 224GB/s
- Up to 4 x DisplayPort 1.4a outputs
- Long life cycle, supports 5 years availability
Videos
Published: 2022-06-13
| Updated: 2023-05-02
