Analog Devices Inc. ADRF5050-EVALZ Evaluation Board

Analog Devices ADRF5050-EVALZ Evaluation Board is designed to evaluate the features and performance of the ADRF5050. The ADRF5050 is a nonreflective, SP4T switch manufactured using a silicon on an insulator (SOI) process. The Analog Devices ADRF5050-EVALZ allows for easy connection to test equipment and includes an additional through-line for calibration.

Features

  • Full-featured evaluation board for the ADRF5050
  • Easy connection to test equipment
  • Additional through line for calibration

Applications

  • Test instrumentation
  • Military radios, radars, and electronic countermeasures (ECMs)
  • Microwave radios and very small aperture terminals (VSATs)

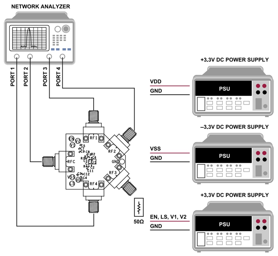
Required Equipment

  • DC power supplies
  • Network analyzer

Test Setup

Chart - Analog Devices Inc. ADRF5050-EVALZ Evaluation Board

Board Layout

Mechanical Drawing - Analog Devices Inc. ADRF5050-EVALZ Evaluation Board
Published: 2025-09-15 | Updated: 2025-10-01