Diodes Incorporated AS348/AS2348 RRIO CMOS Operational Amplifiers
Diodes Incorporated AS348/AS2348 RRIO (rail-to-rail input/output) CMOS Operational Amplifiers are single-/dual-channel devices providing maximum output-voltage swing capability and an extended 300mV common-mode voltage beyond the supply rail. AS348/AS2348 Op Amps are fully specified to operate from 1.6V to 5.5V single-supply, or ±0.8V and ±2.5V dual-supply applications. The AS348 is available in a SOT25 package, and the AS2348 is offered in MSOP-8 and SO-8 packages. Operating within -40°C to +125°C and a high ESD tolerance facilitate use in harsh applications.Features
- 1.6V to 5.5V single-supply voltage range
- ±0.8V to ±2.5V dual-supply voltage range
- 1pA typical ultra-low input bias current
- 2.5mV maximum offset voltage, 0.5mV typical
- 2μV/°C typical low input offset drift
- Rail-to-rail input
- VCM: 300mV beyond supply rail att VCC = 3V or 5V
- Rail-to-rail output swing
- 4mV from the rail with a 10kΩ load
- 25mV from the rail with a 1kΩ load
- 70μA/channel typical supply current
- Unity-gain stable up to 100pF capacitive load, 1.0MHz gain bandwidth
- 0.45V/μs slew rate at VCC = 5.0V
- -40°C to +125°C operating ambient temperature range
- ESD Protection JESD 22, 4000V HBM (A114)
- Halogen- and antimony-free, “Green” device
- Totally lead-free and fully RoHS compliant
Applications
- Active filters
- Sensors interfaces
- Photodiode amplification
- Smoke alarms and CO detectors
- Battery-powered applications
- Portable equipment
- Medical instrumentation
- Pulse blood oximeters and glucose meters
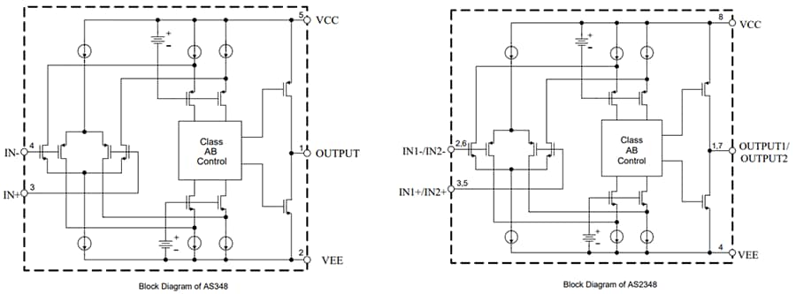
Block Diagrams
Published: 2023-04-10
| Updated: 2023-12-22
