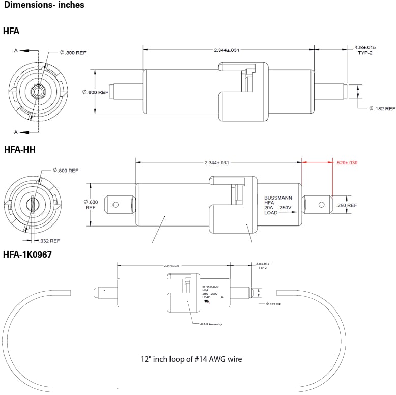
Eaton Electronics 1K0967 HFA In-Line Waterproof Fuse Holders
Eaton Electronics 1K0967 HFA In-Line Waterproof Fuse Holders are in-line fuse holders for 1/4-inch x 1-1/4-inch ferrule fuses. These fuse holders feature up to 20A and 250V current ratings with an IP54 rating for exposed locations, high temperature, and flame retardant. The 1K0967 HFA fuse holders are RoHS-compliant and UL-recognized.Features
- For 1/4inch x 1-1/4inch (6.35mm x 31.8mm) fuses
- IP54 rating for exposed locations
- Accepts #16 to #12 copper wire
- Copper crimp lead material
- High temperature, flame retardant, and phenolic meets UL 94 HB
- Crimp or 1/4” quick connect terminals
- In-line connection
- Recommended crimp tools:
- Thomas and Betts – ERG4002
- Channellock No. 909
- Thomas and Betts WT-112M
- RoHS compliant
Dimension Diagram
Published: 2023-02-22
| Updated: 2024-10-09
