onsemi MC74VHCT132A Quad 2-Input NAND Schmitt Triggers

onsemi MC74VHCT132A Quad 2-Input NAND Schmitt Triggers are advanced high-speed CMOS Schmitt NAND triggers fabricated with silicon gate CMOS technology. onsemi MC74VHCT132A achieves high-speed operation similar to equivalent Bipolar Schottky TTL while maintaining CMOS low power dissipation. Pin configuration and function are the same as the MC74VHC00, but the inputs have hysteresis, and, with the Schmitt trigger function, the MC74VHCT132A can be used as a line receiver, which will receive slow input signals. These devices operate in a -40°C to +85°C temperature range and are available in SOIC-14 or TSSOP-14 packages.

The VHCT inputs are compatible with TTL levels. Because they have full 5V CMOS level output swings, these devices can be used as level converters for interfacing 3.3V to 5.0V. The MC74VHCT132A input structures provide protection when voltages between 0V and 5.5V are applied, regardless of the supply voltage. The output structures also offer protection when VCC = 0V. These input and output structures help prevent device destruction caused by supply voltage (input/output voltage mismatch, battery backup, hot insertion, etc). The internal circuit comprises three stages, including a buffer output that provides high noise immunity and stable output. The inputs tolerate voltages up to 7V, allowing the interface of 5V systems to 3V systems.

Features

  • High speed, tPD = 4.9ns (typical) at VCC = 5.0V
  • 2A maximum low power dissipation (ICC) at TA = +25°C
  • TTL-compatible inputs
    • VIL = 0.8V
    • VIH = 2.0V
  • Power down protection provided on inputs
  • Balanced propagation delays
  • Designed for 2.0V to 5.5V operating range
  • 0.8V maximum low noise (VOLP
  • Pin and function compatible with other standard logic families
  • Latchup performance exceeds 300mA
  • Package options
    • SOIC-14 D suffix case 751A
    • TSSOP-14 DT suffix case 948G
  • ESD performance
    • >2000V Human Body Model (HBM)
    • >200V Machine Model (MM)
  • 72 FETs or 18 equivalent gates chip complexity
  • -40°C to +85°C operating temperature range
  • Lead-free and RoHS-compliant

Applications

  • Signal conditioning
  • Logic level conversion
  • Oscillators and timer circuits
  • Switch debouncing
  • Pulse shaping
  • Counter and state machines
  • Interface circuits

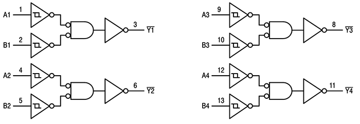
Logic Diagram

Mechanical Drawing - onsemi MC74VHCT132A Quad 2-Input NAND Schmitt Triggers

Typical Schmitt-Trigger Applications

Application Circuit Diagram - onsemi MC74VHCT132A Quad 2-Input NAND Schmitt Triggers

Related Products

MC74VHC00 Logic Gates

Published: 2024-10-23 | Updated: 2024-11-07