onsemi NCV51561 Isolated Dual Channel Gate Driver

onsemi NCV51561 Isolated Dual-Channel Gate Driver features a 4.5A source and 9A sink peak current with short and matched propagation delays. The NCV51561 is intended for fast switching to drive power MOSFETs and SiC MOSFET power switches.

The onsemi NCV51561 Isolated Dual-Channel Gate Driver has a working voltage of up to 1500VDC provided by two 5kVRMS galvanically isolated gate driver channels. These channels allow many configurations of two low-side, two high-side switches, or a half-bridge driver with programmable dead time.

The NCV51561 delivers other important protection functions such as independent undervoltage lockout for both gate drivers and a dead time adjustment function.

Features

  • 4.5A Peak source, 9A peak sink output current capability
  • Flexible dual low-side, dual high-side, or half-bridge gate driver
  • Independent UVLO protections for both output drivers
  • Output supply voltage from 6.5V to 30V with 5V and 8V for MOSFET, 13V and 17V UVLO for SiC, thresholds
  • Common mode transient immunity CMTI > 200V/ns
  • Propagation delay typical 36ns with
    • 5ns Max delay matching per channel
    • 5ns Max pulse-width distortion
  • User programmable input logic
  • Single or dual−input modes via ANB
  • ENABLE or DISABLE Mode
  • User programmable dead-time
  • AEC−Q100 Qualified for automotive application requirements
  • Isolation and safety
    • 5kVRMS Isolation for 1 minute (per UL1577 Requirements) and 1500V peak differential voltage between output channels
    • 8000VPK Reinforced Isolation Voltage (per VDE0884−11 Requirements)
    • CQC Certification per GB4943.1−2011
    • SGS FIMO Certification per IEC 62386−1
  • Pb-Free Devices

Applications

  • On-board chargers
  • xEV DC-DC Converters
  • Traction inverters
  • Charging stations

Videos

Infographic

Infographic - onsemi NCV51561 Isolated Dual Channel Gate Driver

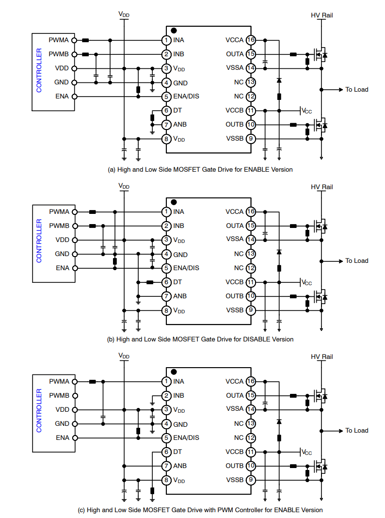
Typical Application Circuits

Application Circuit Diagram - onsemi NCV51561 Isolated Dual Channel Gate Driver
Published: 2022-08-22 | Updated: 2024-05-16