Texas Instruments CSD96497Q5MC NexFET™ Smart Power Stages
Texas Instruments CSD96497Q5MC NexFET™ Smart Power Stages offer a highly optimized design for use in a high-power, high-density synchronous buck converter. The integrated driver IC and power MOSFETs complete the power stage switching function. This combination produces high-current, high-efficiency, and high-speed switching capability in a small 5mm × 6mm outline package. The Texas Instruments CSD96497Q5MC Power Stages integrate accurate current sensing and temperature sensing functionality to simplify system design and improve accuracy. The Power Stages PCB footprint has been optimized to help reduce design time and simplify the completion of the overall system design.Features
- 65A continuous operating current capability
- Over 93.5% system efficiency at 30A
- High-frequency operation (up to 1.25MHz)
- Diode emulation mode with FCCM
- Temperature-compensated bi-directional current sense
- Analog temperature output
- Fault monitoring - OTP, HS OCP, and short circuit protection
- 3.3V and 5V PWM signal compatible
- Integrated bootstrap switch
- Tri-state PWM input
- Optimized dead time for shoot-through protection
- High-density QFN 5mm × 6mm Footprint
- Ultra-low-inductance package
- System-optimized PCB footprint
- DualCool™ packaging
- RoHS-compliant, lead-free terminal plating
- Halogen-free
Applications
- Multiphase synchronous buck converters
- High-frequency applications
- High-current, low-duty cycle applications
- POL DC-DC converters
- Memory and graphic cards
- Desktop and server VR12.x and VR13.x V-core synchronous buck converters
- High-current POL for network communications
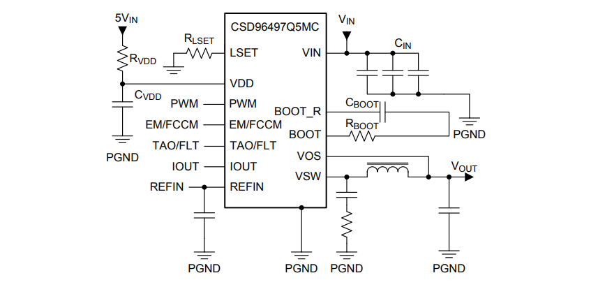
Simplified Application
Published: 2019-03-20
| Updated: 2023-08-07
