Texas Instruments ISOW774x/ISOW774x-Q1 Quad-Ch Digital Isolators

Texas Instruments ISOW774x/ISOW774x-Q1 Quad-Channel Digital Isolators are galvanically isolated with an integrated high-efficiency power converter producing low emissions. The integrated DC-DC converter supports up to 550mW of isolated power, eliminating the need for a separate isolated power supply in space-constrained isolated designs. TI ISOW774x/ISOW774x-Q1 Quad-Channel Digital Isolators feature high electromagnetic immunity while isolating CMOS or LVCMOS digital I/Os. The isolators help prevent noise currents on data buses, such as UART, SPI, RS-485, RS-232, CAN, or other circuits, from entering the local ground and interfering with or damaging sensitive circuitry. The ISOW774x/ISOW774x-Q1 is housed in a 20-pin SOIC wide-body (SOIC-WB) DFM package and allows for operation at a wide operating ambient temperature range of –40°C to +125°C.

Features

  • Qualified for automotive applications
  • AEC-Q100 qualified with the following results:
    • Device temperature Grade 1 of –40°C to +125°C ambient temperature range
  • Integrated DC-DC converter with low-emissions, low-noise
    • Emission optimized to meet CISPR 32 and EN 55032 Class B with >5dB margin on 2 layer board
    • Low-frequency power converter at 25MHz enabling low noise performance
    • 24mV Low output ripple
  • High-efficiency output power
    • 46% Efficiency at max load
    • Up to 0.55W output power
    • VISOOUT accuracy of 5%
    • 5V to 5V: Max available load current = 110mA
    • 5V to 3.3V: Max available load current = 140mA
    • 3.3V to 3.3V: Max available load current = 60mA
  • Independent power supply for channel isolator and power converter
    • Logic supply (VIO) of 1.71V to 5.5V
    • Power converter supply (VDD) of 3V to 5.5V
  • 100Mbps data rate
  • Robust electromagnetic compatibility (EMC)
    • System-level ESD, EFT, and surge immunity
    • ±8kV IEC 61000-4-2 contact discharge protection across the isolation barrier
  • Reinforced and Basic isolation options
  • 100kV/µs (typical) High CMTI
  • Safety-Related Certifications (Planned):
    • VDE reinforced and basic insulation per DIN VDE V 0884-11:2017-01
    • UL 1577 component recognition program
    • IEC 62368-1, IEC 61010-1, IEC 60601-1 and GB 4943.1-2011 certifications
  • Extended temperature range of –40°C to +125°C
  • 20-pin wide-body SOIC package

Applications

  • Factory automation
  • Motor control
  • Grid infrastructure
  • Medical equipment
  • Test and measurement

Videos

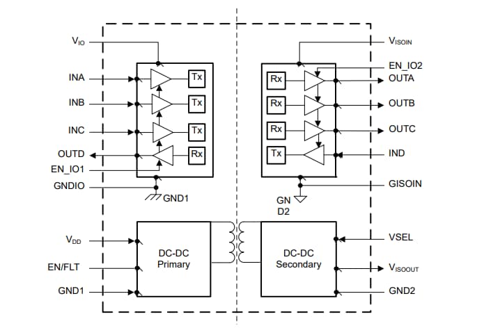
Simplified Schematic

Schematic - Texas Instruments ISOW774x/ISOW774x-Q1 Quad-Ch Digital Isolators

Datasheets

Published: 2022-03-31 | Updated: 2023-05-17